薄片写真集その6(火山岩中のかんらん石斑晶)

次のページ


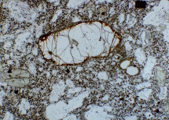
かんらん石(玄武岩中)

オープンニコル。屈折率が高く、浮き上がって見える透明な鉱物がかんらん石。ガラスのような不規則なひび、鉄分が酸化された赤黒いゴミ(iddingsite)、丸っこい外形が判断のポイント。そのほか単斜輝石や斜長石の斑晶が目立つ玄武岩。

 かんらん石の周囲に、単斜輝石の反応縁(reaction rim)ができている。マグマの冷却の過程で、早期に晶出したかんらん石が、温度の低下と共に不安定になり、 安定な単斜輝石に作り替えられようとする途中の段階を、凍結してみていることになる。

 玄武岩にはかんらん石斑晶が多く見られるのに、深成岩であるはんれい岩では、むしろかんらん石は少なく、 単斜輝石(普通輝石)が占める割合が非常に高いのは、このような反応関係による「つくりかえ」が、マグマだまりの中で進行するからだ。

 クロスニコルの写真。中央の鮮やかな干渉色を示すのが、かんらん石。丸っこい外形と、不規則な割れ口(ひびが曲線)、スピネルの包有物、直消光、表面のなめらかな感じが特徴。やや細長い鮮やかな干渉色を示すのが普通輝石augite。細長い外形と2方向の劈開、双晶、斜消光、弱い多色性が特徴。そのほか、斜長石の斑晶が多数ある。
 ol: olivine(かんらん石)
cpx: clinopyroxene /augite
  (単斜輝石/普通輝石)
 pl: 斜長石




薄片写真集目次    石からわかること    前のページに戻る     次のページへ

indexに戻る